Производим капитальный ремонт, мелкий ремонт и обслуживание дизельных двигателей Cummins ISF 2.8
Гильза цилиндра 3904166
Производитель:
DCECБренд товара
CumminsКатегория товара
ДвигательПодкатегория товара
Блок ЦилиндровСерия двигателя
ISF3.8,ISBeОбъем двигателя
V=3.8-5.9LДоп. размеры
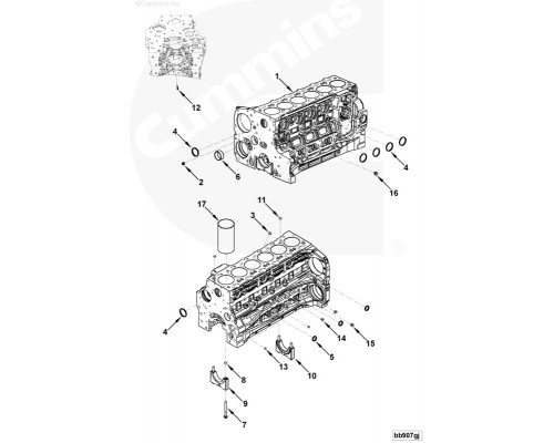
101x105x200Позиция на схеме №
17Габариты (ДхШхВ):
20×10.1×10.5 смВес:
1.02 кг
Есть в наличии
0р.
| Склад: | Цена: | Кол-во: |
Все характеристики
Гильза блока цилиндров V=3.8, 3.9, 5.9 двигателя Cummins ISF 3.8, ISBe, EQB, 4/6 BT.
Обозначение:
Деталь отмечена на схеме порядковым номером № 17.
Бренд
Бренд товара
Cummins
Общие системы авто
Категория товара
Двигатель
Подсистемы авто
Подкатегория товара
Блок Цилиндров
Серия дв.
Серия двигателя
ISF3.8,ISBe
Объем двигателя
Объем двигателя
V=3.8-5.9L
Общие характеристики
Доп. размеры
101x105x200
Схематичное отображение
Позиция на схеме №
17
Габариты и вес
Габариты (ДхШхВ):
20×10.1×10.5 смВес:
1.02 кгОтзывов: 0
Нет отзывов об этом товаре.
Вопросов: 0
Нет вопросов об этом товаре.
Рекомендуем посмотреть
Похожие товары
