Производим капитальный ремонт, мелкий ремонт и обслуживание дизельных двигателей Cummins ISF 2.8
Траверса клапанов 3943626
Производитель:
DCECБренд товара
CumminsКатегория товара
ДвигательПодкатегория товара
КоромыслоСерия двигателя
ISF3.8,ISBeОбъем двигателя
V=3.8-6.7LПрименяемость
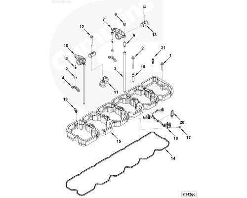
Валдай, ПАЗ, Foton Aumark, КАМАЗПозиция на схеме №
4Вес:
0.05 кг
Есть в наличии
230р.
| Склад: | Наличие: | Остатки: | Цена: | Кол-во: | ||
|
Основной
На складе |
На складе | 230р. |
< > |
||
|
Региональный
1-4 дня |
1-4 дня | 176р. |
< > |
Все характеристики
Траверс клапанов двигателя Cummins ISF 3.8 и ISBe.
Другие наименования детали:
- Перемычка коромысла клапанов;
- Крейцкопф.
Обозначение:
Деталь отмечена на схеме порядковым номером № 4.
Бренд
Бренд товара
Cummins
Общие системы авто
Категория товара
Двигатель
Подсистемы авто
Подкатегория товара
Коромысло
Серия дв.
Серия двигателя
ISF3.8,ISBe
Объем двигателя
Объем двигателя
V=3.8-6.7L
Общие характеристики
Применяемость
Валдай, ПАЗ, Foton Aumark, КАМАЗ
Схематичное отображение
Позиция на схеме №
4
Габариты и вес
Вес:
0.05 кгОтзывов: 0
Нет отзывов об этом товаре.
Вопросов: 0
Нет вопросов об этом товаре.
Рекомендуем посмотреть
Похожие товары
